pp电子平台

中光强航空障碍灯

中光强航空障碍灯 LM212

功能特性

基于LED技术,符合光学标准化设计

可定制GPS同步功能

抗震动、耐腐蚀

故障报警功能:干节点输出

内置环境光传感器,可自动判断白天/黑夜

内置LED保护电路,工作稳定,节省维修费

描述与应用

技术规格

基本

产品名称

中光强双联航空障碍灯

系列名称

LM212

光学

光源类型

高亮度LED

发光颜色

红色

垂直发光角度

3°Min

水平发光角度

360°

闪光频率

20/30/40/60FPM/常亮可定制

光源寿命

≥100,000h

有效光强

2000±25%cd

光控开关受控照度

50~200Lux

电气

工作电压

AC100-240V/DC48V

功耗

<60W

机械

材质

主体:铝合金
灯罩:PC
反光镜:ABS,真空镀膜

工作温度

-40˚C ~ +70˚C

工作湿度

10% ~ 95% (不凝结)

防护等级

IP65

参考重量

5.5kg

认证证书及标准

中国民用航空局

航空障碍灯 MH/T6012-2015

中国民用航空局

民用机场飞行区技术标准 MH5001-2021

中央军事委员会

军用机场净空规定

ICAO

Annex14 Volume 1 Aerodrome Design and Operations

FAA

AC 150/5345-43H Specification for Obstruction Lighting Equipment

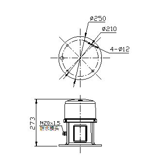
尺寸

产品应用图

© PP电子(中国)集团官网平台