pp电子平台

声光报警器

声光报警器 BC-3B

功能特性

声光同步报警

多种报警音调可供选择

示警灯采用超长寿命LED制成


                        


                        


                        

描述与应用

技术规格

基本

产品名称

声光报警器

产品型号

BC-3B

示警方式

声光

电气

工作电压

AC220V/DC24V 

电源频率

50Hz~60Hz

喇叭功率

10W

机械

壳体材质

ABS

灯罩材质

PC

工作温度

-30˚C ~ +70˚C

工作湿度

10% ~ 95% (不凝结)

防护等级

IP65

参考重量

1.8kg

声学

喇叭阻抗

8Ω/16Ω

声 级

106db

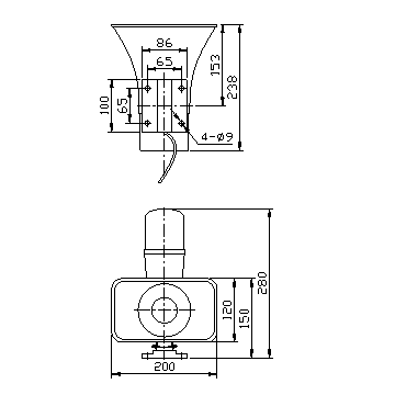
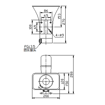
尺寸

产品应用图

© PP电子(中国)集团官网平台